Zufallsbild |
 |
 14.5 R20Michelin XL
Kommentare: 0 Peter_Bimek
|
 |
|
 |
 |
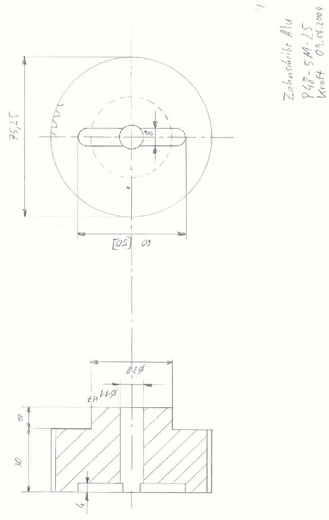
404 Luftpresserantrieb
| 404 Luftpresserantrieb |
| Beschreibung: |
Zeichnung der großen Zahnscheibe für den Zahnriemenantrieb des Luftpressers über die Zapfwelle. |
| Schlüsselwörter: |
|
| Datum: |
06.07.2004 21:14 |
| Hits: |
9995 |
| Downloads: |
1 |
| Bewertung: |
0.00 (0 Stimme(n)) |
| Dateigröße: |
89.1 KB |
| Hinzugefügt von: |
Joerg_Kraft |
|
| EXIF Info |
| Hersteller: |
OLYMPUS OPTICAL CO,.LTD. |
| Modell: |
|
| Aufnahmedatum: |
00.00.0000 00:00:00 |
|
|
 |