- 05.02.2006, 20:26
#98898
Hallo Elektriker,
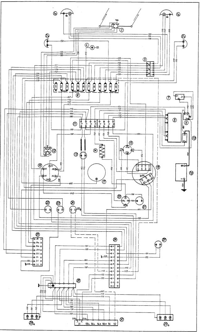
laut Schaltplan meines 421ers wurde eine Anhängersteckdose mit Schaltkontakt für die Kontrolleuchte des Anhängerblinkers verbaut. Hat jemand Ahnung wie das Funktioniert?
Jetzt ist nur eine normale 7 Polige Steckdose eingebaut und die beiden Kabel, die laut Schaltplan an den Klemmen L31b und R31a geklemmt sind, wurden mit einer Lüsterklemme mit einander verbunden.
Kann man diese Steckdose noch kaufen? Wenn ja, hat jemand eine Bezugsquelle.
Gruß
Werner
laut Schaltplan meines 421ers wurde eine Anhängersteckdose mit Schaltkontakt für die Kontrolleuchte des Anhängerblinkers verbaut. Hat jemand Ahnung wie das Funktioniert?
Jetzt ist nur eine normale 7 Polige Steckdose eingebaut und die beiden Kabel, die laut Schaltplan an den Klemmen L31b und R31a geklemmt sind, wurden mit einer Lüsterklemme mit einander verbunden.
Kann man diese Steckdose noch kaufen? Wenn ja, hat jemand eine Bezugsquelle.
Gruß
Werner


