- 23.05.2007, 20:02
#153148
Hallo,
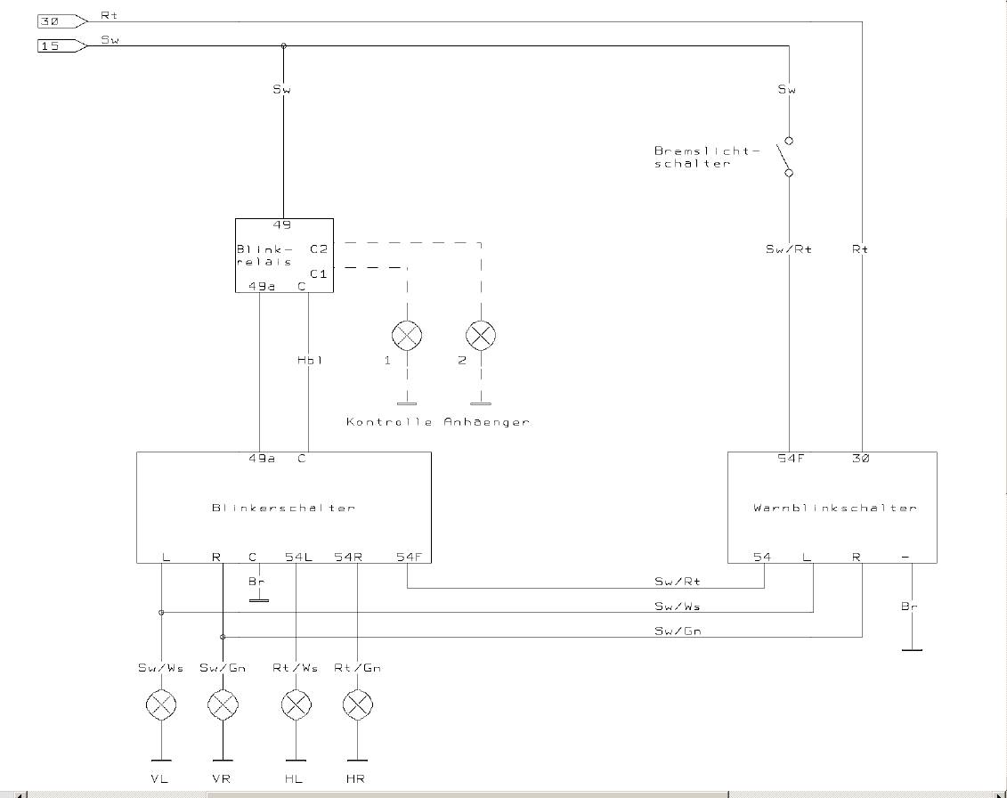
Fragen zum Blinkerschalter und der Kabelbelegung gibt es genug... aber eine Antwort für mich ist leider nicht dabei.
Problem:
Warnblinkanlage (mit umgerüsteten Warnblinkzugschalter inkl. Blinkgeber) funktioniert (nicht von mir umgerüstet) - aber die Blinker tun es auf einmal nicht mehr - ich vermute einen Defekt im Blinkerschalter... (da waren Kinder im Mog und haben wer-weiss-wo dran rumgespielt
)
Wie kann man nun von Klemme zu Klemme überbrücken, um die Funktion zu testen ?
Die stilisierte Darstellung im Schaltplan lässt ja keine Rückschlüsse auf die Schaltstellungen zu...
Wer kann helfen ?
Ich habe leider nur einen Schaltplan mit den DREI Elementen Blinkerschalter (Nr 28 lt Schaltplan), Warnblinkschalter (29) und Warnblinkgeber (30) - dieser Schaltplan läßt aber keine Rückschlüsse auf meine tatsächliche Verkabelung zu (siehe oben).
Wer hat die Schaltung des Blinkerschalter bei jeweiliger Schalterstellung ? zB Klemme 49a (1,5 mm2, grün) müsste der Blinkimpuls vom Blinkrelais sein - beim Warnblinken (mit Dauerplus über Klemme 30) blinkt 49a am Blinkerschalter mit - bei Zündplus (fürs Blinken) schwingt da nix im Blinkrelais und somit auch kein Blinkimpuls im Blinkerschalter...
HILFE ! ohne Blinker fahren ist doof !!!!
Fragen zum Blinkerschalter und der Kabelbelegung gibt es genug... aber eine Antwort für mich ist leider nicht dabei.
Problem:
Warnblinkanlage (mit umgerüsteten Warnblinkzugschalter inkl. Blinkgeber) funktioniert (nicht von mir umgerüstet) - aber die Blinker tun es auf einmal nicht mehr - ich vermute einen Defekt im Blinkerschalter... (da waren Kinder im Mog und haben wer-weiss-wo dran rumgespielt
Wie kann man nun von Klemme zu Klemme überbrücken, um die Funktion zu testen ?
Die stilisierte Darstellung im Schaltplan lässt ja keine Rückschlüsse auf die Schaltstellungen zu...
Wer kann helfen ?
Ich habe leider nur einen Schaltplan mit den DREI Elementen Blinkerschalter (Nr 28 lt Schaltplan), Warnblinkschalter (29) und Warnblinkgeber (30) - dieser Schaltplan läßt aber keine Rückschlüsse auf meine tatsächliche Verkabelung zu (siehe oben).
Wer hat die Schaltung des Blinkerschalter bei jeweiliger Schalterstellung ? zB Klemme 49a (1,5 mm2, grün) müsste der Blinkimpuls vom Blinkrelais sein - beim Warnblinken (mit Dauerplus über Klemme 30) blinkt 49a am Blinkerschalter mit - bei Zündplus (fürs Blinken) schwingt da nix im Blinkrelais und somit auch kein Blinkimpuls im Blinkerschalter...
HILFE ! ohne Blinker fahren ist doof !!!!
Raimund -
411.110 Bj. 1960 - ohne Zapfwellen, Pneumatik oder Hydraulik
= die ultimative Art, mit einem Mercedes- 2Sitzer-Cabrio Holz zu holen...
= die ultimative Art, mit einem Mercedes- 2Sitzer-Cabrio Holz zu holen...


