- 05.04.2015, 11:52
#466837
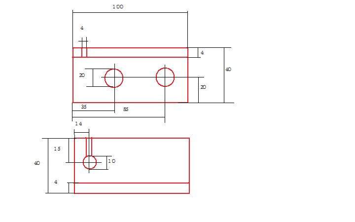
Teile Bandbremse.jpg (14.39 KiB) 1538 mal betrachtet
Teile Bandbremse_1.jpg (15.75 KiB) 1538 mal betrachtet
Hallo Restaurateure,
ich habe seit gestern ein neues Projekt. Es handelt sich um die Rücklaufbremse zur hinteren Seilwinde. Diese wird vorne auf die Zapfwelle gesetzt. Diese werde ich restaurieren, ähnlich dem Spulgerät.
Es gibt auch schon vier Fragen:
1) Wer kann mir die die Maße und Bilder des Winkels Teil 99 geben?
2) Wo wird Teil 75 verbaut? Gibt es Bilder?
3) wie sieht der Hebel 6 original aus? Wie ist der Bolzen befestigt, wo Teil 12 eingeschraubt wird? Wer hat Bilder von dem Hebel?
4) Wer hat ein Bild der Tülle 94? Wie sah die aus?
Gruß & Dank,
Markus
P.S.: Bei Interesse werde die die Arbeiten hier einstellen und beschreiben.
ich habe seit gestern ein neues Projekt. Es handelt sich um die Rücklaufbremse zur hinteren Seilwinde. Diese wird vorne auf die Zapfwelle gesetzt. Diese werde ich restaurieren, ähnlich dem Spulgerät.
Es gibt auch schon vier Fragen:
1) Wer kann mir die die Maße und Bilder des Winkels Teil 99 geben?
2) Wo wird Teil 75 verbaut? Gibt es Bilder?
3) wie sieht der Hebel 6 original aus? Wie ist der Bolzen befestigt, wo Teil 12 eingeschraubt wird? Wer hat Bilder von dem Hebel?
4) Wer hat ein Bild der Tülle 94? Wie sah die aus?
Gruß & Dank,
Markus
P.S.: Bei Interesse werde die die Arbeiten hier einstellen und beschreiben.
Dateianhänge:
Gruß
Markus
...ab jetzt mit neuem Buch: Unimog 411, das Kompendium...
Bestellung nur unter : unimog411-kompendium@gmx.de
Markus
Bestellung nur unter : unimog411-kompendium@gmx.de


