- 10.11.2008, 20:21
#213242
Atlas Kran AK 1400.jpg (47.41 KiB) 6248 mal betrachtet
Hallo Mogler und Kran-Spezialisten,
ich habe vor einiger Zeit den Atlas Kran von Armin (Moggale) gekauft.
Endlich bin ich dazu gekommen, den Kran in Betrieb zu nehmen. Es hängt nun eine Zapfwellen-Hydraulikpumpe mit 53 l/min dran, alle Hubzylinder bewegen sich und sind dicht.
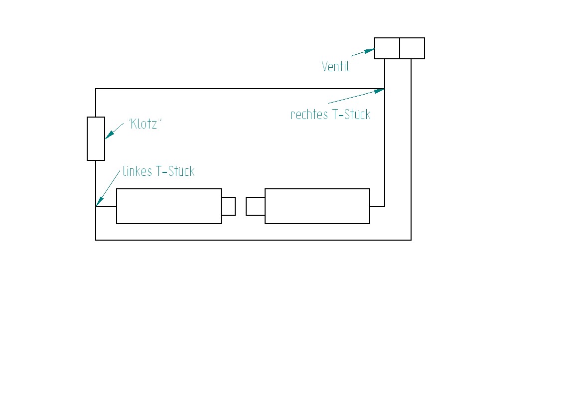
Einzig die Kransäule bewegt sich nicht. Die Schwenkzylinder schaffen es nicht, die Säule zu bewegen bzw. zu drehen. Die Säule ruckt oder dreht nicht, sie tut keinen Muckser
Man kann aber spüren und hören, daß das Öl in die Zylinder rauscht.
Das angehängte Bild zeigt den Kran wie er noch bei Armin stand. In diesem Zustand (Kranarm steht im 90-Grad-Winkel zum unteren Gehäuse (Tank mit Stützenaufnahmen) ist er immer noch.
Laut Armin hat sich die Kransäule vorher sogar von Hand bewegen lassen. Bevor ihn Armin auf die Palette verladen und verzurrt hat, wurde die Säule von Hand in diese Position geschwenkt.
Ich kann nirgendwo am Kran einen Hebel oder einen Absperrhahn entdecken, mit der man ihn "verriegeln" könnte.
Was kann die Ursache sein?
Hat jemand noch eine Bedienungsanleitung oder Ersatzteilliste eines Atlas AK 1400 oder ähnlichen Typs? Bevor ich anfange wild draufloszuschrauben und auseinanderzubauen wäre ein Blick auf eine Atlas-Zeichnung hilfreich.
Wo sind die Kran Spezialisten unter euch?
Gruß
Helmut
ich habe vor einiger Zeit den Atlas Kran von Armin (Moggale) gekauft.
Endlich bin ich dazu gekommen, den Kran in Betrieb zu nehmen. Es hängt nun eine Zapfwellen-Hydraulikpumpe mit 53 l/min dran, alle Hubzylinder bewegen sich und sind dicht.
Einzig die Kransäule bewegt sich nicht. Die Schwenkzylinder schaffen es nicht, die Säule zu bewegen bzw. zu drehen. Die Säule ruckt oder dreht nicht, sie tut keinen Muckser
Das angehängte Bild zeigt den Kran wie er noch bei Armin stand. In diesem Zustand (Kranarm steht im 90-Grad-Winkel zum unteren Gehäuse (Tank mit Stützenaufnahmen) ist er immer noch.
Laut Armin hat sich die Kransäule vorher sogar von Hand bewegen lassen. Bevor ihn Armin auf die Palette verladen und verzurrt hat, wurde die Säule von Hand in diese Position geschwenkt.
Ich kann nirgendwo am Kran einen Hebel oder einen Absperrhahn entdecken, mit der man ihn "verriegeln" könnte.
Was kann die Ursache sein?
Hat jemand noch eine Bedienungsanleitung oder Ersatzteilliste eines Atlas AK 1400 oder ähnlichen Typs? Bevor ich anfange wild draufloszuschrauben und auseinanderzubauen wäre ein Blick auf eine Atlas-Zeichnung hilfreich.
Wo sind die Kran Spezialisten unter euch?
Gruß
Helmut



