- 09.09.2019, 13:23
#534943
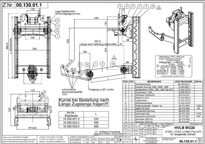
zeichnung_Lagerbock.jpg (88.01 KiB) 3241 mal betrachtet
oben 120mm - unten 145mm - dazwischen 88mm
Bohrbild.jpg (77.06 KiB) 3245 mal betrachtet
Achse Unimog.jpg (95.15 KiB) 3245 mal betrachtet
Hallo,
ich möchte bei meinem U1400 2650 (BM427) - BJ 11/1993 - einen Scharmüller Lagerbock nachrüsten. Habe mich auch schon mal auf der Seite von Scharmüller umgesehen, und da gibt es ja einige ... und das ist das Problem.
In meinem Unimog ist eine Hinterachse 747.118 eingebaut. Ist das nun eine zweigeteile oder eine dreigeteilte Achse? Wie kann man diese unterscheiden? Dann stellt sich noch die Frage nach dem sog. Bohrbild ... das sagt mir jetzt auch wieder nix. - 160x100mm oder 230x130mmm oder 120/145x88mm???
Mir würde der Typ 00.130.01.1.A02 gefallen und auch reichen. Könnte der passen???
Nachtrag:
habe mir die Sache noch mal angesehen, und ich denke es handelt sich um das Bohrbild 120/145x88mm sowie um eine dreigeteilte Achse – Bilder siehe Anlage. Unter diesen Gegebenheiten würde vermutlich nur die Art.Nr. 00.130.01.1-A02 passen.
So, nun habe ich auch noch die aktuellen Preise von Scharmüller (Stand 09/2019)
Listenpreise excl. MwSt.
Lagerbock € 1.962,-
Zugmaul Autom. € 777,-
Optional
Zugmaul Manuell ca. € 440,-
K80 Kugeleinsatz ca. € 870,-
K50 PKW Einsatz ca. € 570,-
Lieferzeit ca. 8 Wochen.
Danke für Eure Hilfe.
Gruß
Alex
ich möchte bei meinem U1400 2650 (BM427) - BJ 11/1993 - einen Scharmüller Lagerbock nachrüsten. Habe mich auch schon mal auf der Seite von Scharmüller umgesehen, und da gibt es ja einige ... und das ist das Problem.
In meinem Unimog ist eine Hinterachse 747.118 eingebaut. Ist das nun eine zweigeteile oder eine dreigeteilte Achse? Wie kann man diese unterscheiden? Dann stellt sich noch die Frage nach dem sog. Bohrbild ... das sagt mir jetzt auch wieder nix. - 160x100mm oder 230x130mmm oder 120/145x88mm???
Mir würde der Typ 00.130.01.1.A02 gefallen und auch reichen. Könnte der passen???
Nachtrag:
habe mir die Sache noch mal angesehen, und ich denke es handelt sich um das Bohrbild 120/145x88mm sowie um eine dreigeteilte Achse – Bilder siehe Anlage. Unter diesen Gegebenheiten würde vermutlich nur die Art.Nr. 00.130.01.1-A02 passen.
So, nun habe ich auch noch die aktuellen Preise von Scharmüller (Stand 09/2019)
Listenpreise excl. MwSt.
Lagerbock € 1.962,-
Zugmaul Autom. € 777,-
Optional
Zugmaul Manuell ca. € 440,-
K80 Kugeleinsatz ca. € 870,-
K50 PKW Einsatz ca. € 570,-
Lieferzeit ca. 8 Wochen.
Danke für Eure Hilfe.
Gruß
Alex
Dateianhänge:
Bohrbild.jpg (77.06 KiB) 3245 mal betrachtet
Zuletzt geändert von Dresalex am 11.09.2019, 15:46, insgesamt 6-mal geändert.



