Herzlich willkommen

Herzlich willkommen auf der Unimog-Community-Website. Seit 1999 treffen sich hier die Mercedes-Benz Unimog- und MBtrac-Enthusiasten zum Meinungsaustausch und Fachsimpeln.

Hier werden Fragen zur Technik und zur Restauration des Unimog gestellt.

Moderator: stephan

#310016
SCAL hat geschrieben:Frage : kann man die Teile auch irgendwo fertigen lassen ?
Mit Sicherheit kann man die Teile irgendwo nachfertigen lassen. Ich glaube aber kaum das sich mit so einer "Fummelsarbeit" eine Schlosserei abgibt.
SCAL hat geschrieben:Kosten für mech. Teile und Holzteile ?
Materialwert für mich ca. 80 Euro. Für einen Nachbau den mann in Auftrag gibt "unerschwinglich" oder ggf auch "unbezahlbar"
#546449
Hallo "MOG" Freunde,
habe mal den Beitrag vor geholt - habe mein Projekt auch beendet:
20201105_150716.jpg
20201105_150716.jpg (90.85 KiB) 2299 mal betrachtet
20201105_151247.jpg
20201105_151247.jpg (97.69 KiB) 2299 mal betrachtet
Sollte sich Jemand mit den Gedanken tragen sich auch die Ferkelbretter zu montieren hier einige Tipps:
Bei der Montage der Rückenlehnen Bretter das untere Brett ca 10 mm höher anzubringen damit zwischen hinteres Sitzbrett und unteres Lehnen Brett genug Platz ist zum einstecken.
Die Bretter haben eine Länge von 1.410 mm, 180 mm breit und 25 mm dick (kurze Pritsche).
Brackenprofil innen 21 mm und 100 mm aufgesteckt, genietet Halbrundniete DIN 660 blank 3 x 30
Bei Pritsche mit Blechboden ab Okt. 1961 U411a ist die vordere Blechwand der Pritsche um 60 mm höher als die Seitenbracken, dass ist beim anbringen der Haken und Ösen an die Aufsatzbretter zu berücksichtigen.
Der Abstand der Halterungen im Boden der Pritsche (UVC Journal 2/96) kann abweichen (Maß A + B ), wenn beim Austauschen der Bracken Bretter die Scharniere anders angebracht wurden. Also die Aufsatzbretter montieren und das Maß auf die Pritsche übertragen! (Ferkelbretter Mittig zur Mitte der Pritschenlänge)
Schrauben: Halterungen, Boden Schloßschrauben DIN 603 M8 x 25;
Lehne und Sitzbank: Schloßschrauben M6 x 55 und M6 x 40
HSS Bi-Metall Lochsäge Durchmesser 60 mm
Die Beschläge wurden Galvanisch verzinkt, die Bretter mit ERBEDOL Schnellgrund grünlich vorgestrichen und mit ERBEDOL Art.: SL6695 (grün DB6286) lackiert.
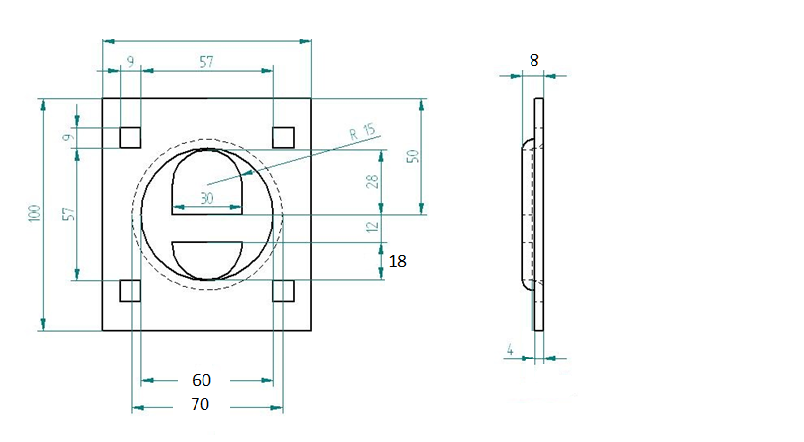
Mein Dank an Markus für die Zeichnung
20201105_150716.jpg
20201105_150716.jpg (90.85 KiB) 2299 mal betrachtet
Zeichnung: Markus Hame

Gruß
Wolfgang
Dateianhänge:
Unbenannt.png
Unbenannt.png (99.99 KiB) 2299 mal betrachtet

Werte Freunde , .. .als ich den 411.118 so etwa 20[…]

Guten Abend Freunde, ....beim Stöbern bin ic[…]

Hallo liebe Gemeinde :party Ich bin auf der such[…]

Suche brauchbare 411.119 Kabine

Danke für die Antwort, aber der Preis ist mir[…]