- 03.09.2018, 22:26
#524087
Hallo Markus,
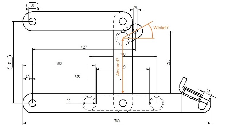
bei meinem Frontkraftheber - der ursprünglich die Aufgabe hatte, die 1,80 m breite Frontladerschaufel voll Schnee zu heben, hat der Konstrukteur unten keine Rohre sondern zwei massive U-Eisen verwandt - und nur oben, im Bereich der Aufnahme für den zweiten Kippzylinder das Rohr durch ein aufgeschweisstes U-Eisen nochmals nachträglich verstärkt, weil die ursprüngliche Konstruktion dort wohl zu schwach gwesen ist.


Herzliche Grüße
Rolf
mhame hat geschrieben:Hallo Rolf,
kannst du dich noch erinnnern, welche Rohre du verwendet hast. Bisher hat deiner ja scheinbar alles ausgehalten, was du damit gemacht hast. Interessieren würde die Bezugsquelle, die Wandstärke und die Materialgüte.
Gruß
Markus
Hallo Markus,
bei meinem Frontkraftheber - der ursprünglich die Aufgabe hatte, die 1,80 m breite Frontladerschaufel voll Schnee zu heben, hat der Konstrukteur unten keine Rohre sondern zwei massive U-Eisen verwandt - und nur oben, im Bereich der Aufnahme für den zweiten Kippzylinder das Rohr durch ein aufgeschweisstes U-Eisen nochmals nachträglich verstärkt, weil die ursprüngliche Konstruktion dort wohl zu schwach gwesen ist.
Herzliche Grüße
Rolf




