- 19.10.2022, 13:48
#565285
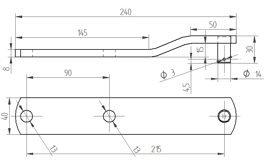
Liebe 406 er Freunde,
jetzt brauche ich auch die Maße für die Hochstellvorrichtung der Hütte.
Mein Unimog ist Bj.78. Wenn möglich auch noch die Länge des Drahtseils und die Maße der Abstützstange.
Herzlichen Gruß und Danke
Johannes
jetzt brauche ich auch die Maße für die Hochstellvorrichtung der Hütte.
Mein Unimog ist Bj.78. Wenn möglich auch noch die Länge des Drahtseils und die Maße der Abstützstange.
Herzlichen Gruß und Danke
Johannes




