- 09.01.2026, 12:32
#583823
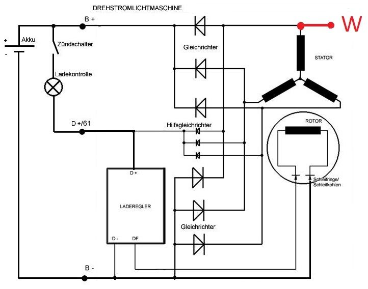
wenn du ja Zugriff auf Oszi hast, klemme es doch einfach mal an W an. Dann siehst du, ob und was raus kommt.
Stephan Kaufmann
-----------------------------
-----------------------------

