- 12.03.2012, 08:23
#375057
Ich brauche einen Rat
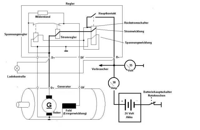
an meinem 404 brennt die Ladekontrollleuchte durch.
Erst dachte ich es läge an den Birnchen aber nach der dritten durchgebrannten muß der Fehler woanders liegen.
Ich tippe auf den Regler oder eine Masseverbindung.
Es sind alle orginal 404 Komponenten verbaut.
Gruß aus dem Oberbergischen
Uwe
an meinem 404 brennt die Ladekontrollleuchte durch.
Erst dachte ich es läge an den Birnchen aber nach der dritten durchgebrannten muß der Fehler woanders liegen.
Ich tippe auf den Regler oder eine Masseverbindung.
Es sind alle orginal 404 Komponenten verbaut.
Gruß aus dem Oberbergischen
Uwe



