- 11.02.2023, 16:57
#568191
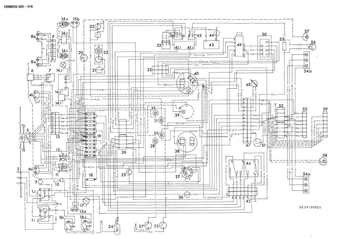
Bremse2.JPG (62.02 KiB) 1262 mal betrachtet
Hallo zusammen,
ich möchte gerne an meinem Unimog 406 Bj. 1982 mit Scheibenbremse , den Druckschalter Vorrat anschließen.
Im Werkstatt Handbuch von B+B ist der Stromlaufplan abgebildet. Hier ist aber weder in der Legende noch im Plan dieser Schalter aufgeführt. Im Bremsenplan Pneumatik aber schon.
Am Anschluß des Komiinstrument für die große rote Lampe habe ich die Bremsflüssigkeit Behälter angeschlossen.
Das Kombiinstrument hat ja intern auch noch einen Druckschalter für diese Leuchte.
Hat zufällig jemand diesen Druckschalter ( sitzt am kleinen Vorratsbehälter ) angeschlossen.
Viele Grüße
Manfred
ich möchte gerne an meinem Unimog 406 Bj. 1982 mit Scheibenbremse , den Druckschalter Vorrat anschließen.
Im Werkstatt Handbuch von B+B ist der Stromlaufplan abgebildet. Hier ist aber weder in der Legende noch im Plan dieser Schalter aufgeführt. Im Bremsenplan Pneumatik aber schon.
Am Anschluß des Komiinstrument für die große rote Lampe habe ich die Bremsflüssigkeit Behälter angeschlossen.
Das Kombiinstrument hat ja intern auch noch einen Druckschalter für diese Leuchte.
Hat zufällig jemand diesen Druckschalter ( sitzt am kleinen Vorratsbehälter ) angeschlossen.
Viele Grüße
Manfred

