Herzlich willkommen

Herzlich willkommen auf der Unimog-Community-Website. Seit 1999 treffen sich hier die Mercedes-Benz Unimog- und MBtrac-Enthusiasten zum Meinungsaustausch und Fachsimpeln.

Hier werden Fragen zur Technik und zur Restauration des Unimog gestellt.

Moderator: stephan

#440741
Hallo Peter,

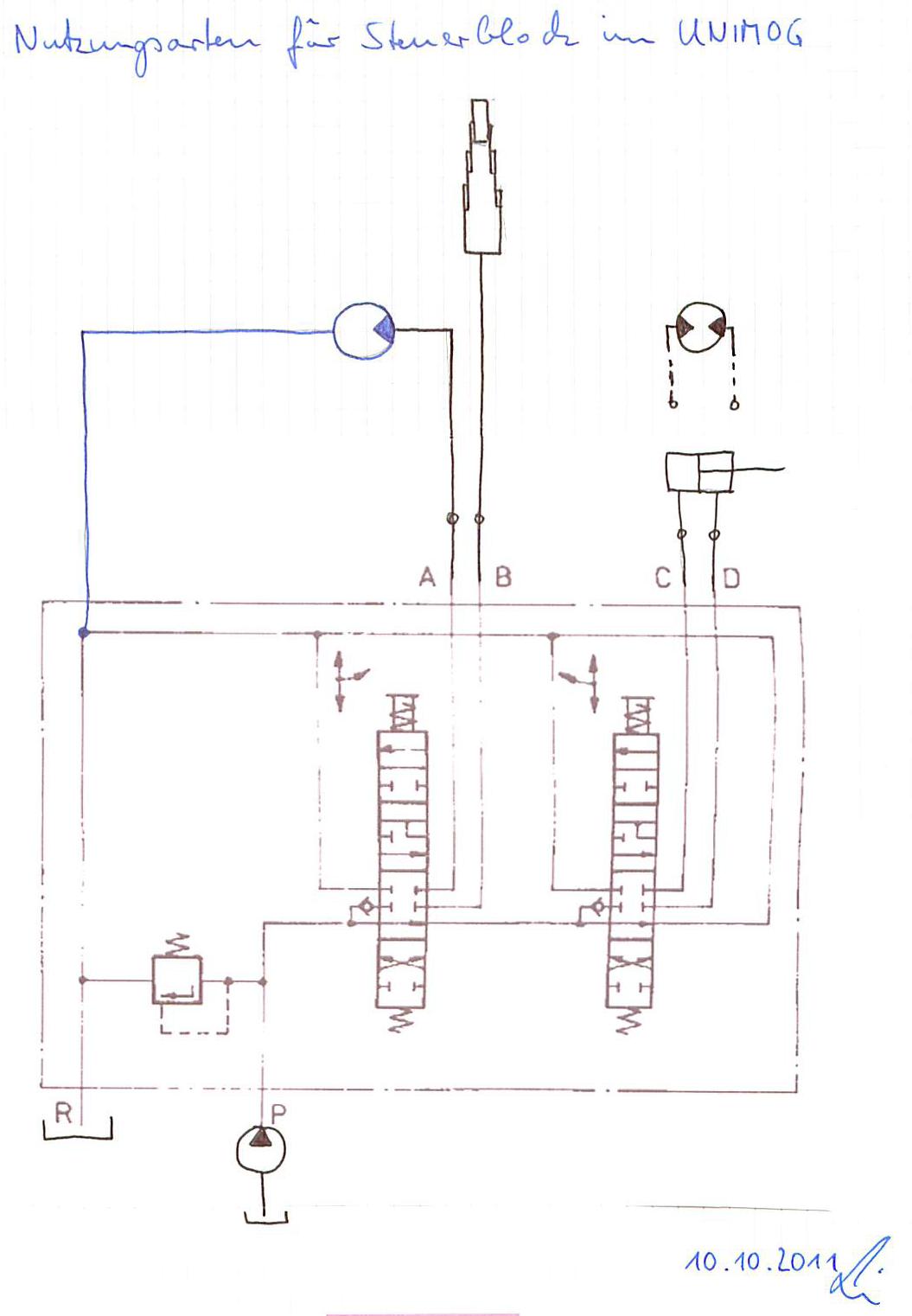
das Steuergerät im 411 besteht aus einem Druckbegrenzungsventil und zwei doppeltwirkenden Wegeventilen. Man kann also zwei doppeltwirkende Funktionen (Zylinder oder Motore) mit je zwei Bewegungsrichtungen damit betreiben. In der Schwimmstellung sind die Zylinder oder Motore durch äußere Kraft beweglich.

Statt einer doppeltwirkenden Funktion können mit einem Wegeventil aber auch zwei einfachwirkende Funktionen - jedoch nicht gleichzeitig - gesteuert werden. Typische Anwendung hierfür sind Kipper (einfachwirkender Teleskopzylinder) und einfachwirkender Kraftheber. Allerdings, wenn man eine dieser beiden Funktionen betätigt, sinkt die andere unter Last (oder Eigengewicht) ab, wenn sie nicht schon bereits unten war. In der Schwimmstellung sinken beide ab.

Der Schaltplan soll dies im Prinzip verdeutlichen. Hier ist auch ein zusätzlicher nachgerüsteter druckloser Rücklauf für einen Hydromotor mit nur einer Drehrichtung dargestellt. Der Rücklauf geht allerdings nicht in den Block, da dort keine Anschlussmöglichkeit besteht, sondern praktischerweise in ein T-Stück in die Leitung zwischen Rücklaufanschuss R (Tankanschluss) oder direkt in den Tank.
Dateianhänge:
01.jpg
01.jpg (54.27 KiB) 1039 mal betrachtet
2011_10_10_Steuerblock_Nutzung.JPG
2011_10_10_Steuerblock_Nutzung.JPG (85.09 KiB) 1044 mal betrachtet
Vorstellung: Unimog und Besitzer

Hallo Sebastian, gute Arbeit, der Mann scheut d[…]

Hallo Rolf der einfachste Weg ist der Hella-Katalo[…]

406, Kühlwasserrohr

hallo ich hätte vielleicht so ein rohr kann d[…]

Hallo, wer kann mir einen Tipp geben ( Video o.&au[…]