- 09.08.2012, 09:18
#389877
Moin,
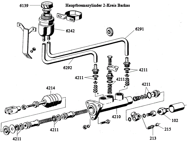
seit 2006 bremse ich mit 2Kreis-HBZ von Multicar glücklich, sicher und problemlos.
Nun tritt folgendes Problem auf:
Nach längeren Fahrten baut sich der Druck im vorderen Bremskreis nicht mehr ab, dh. irgendwann lösen die Bremsen nicht mehr und das Bremspedal ist "bombenfest".
Ich habe bisher den Dichtsatz des HBZ sowie die Bremsschläuche ersetzt.
RBZ, Einstellungen der Bremse usw. ist alles ok.
Im Augenblick "steh ich auf dem Schlauch"
Hat noch jemand das gleiche Problem, und, wie hat er das gelöst?
PS: Ich bitte darum, evtl. Antworten hier zu posten, damit alle Multicar-Bremser etwas davon haben!
Ich weiß, dass mind. Einer das gleiche Problem hat.
seit 2006 bremse ich mit 2Kreis-HBZ von Multicar glücklich, sicher und problemlos.
Nun tritt folgendes Problem auf:
Nach längeren Fahrten baut sich der Druck im vorderen Bremskreis nicht mehr ab, dh. irgendwann lösen die Bremsen nicht mehr und das Bremspedal ist "bombenfest".
Ich habe bisher den Dichtsatz des HBZ sowie die Bremsschläuche ersetzt.
RBZ, Einstellungen der Bremse usw. ist alles ok.
Im Augenblick "steh ich auf dem Schlauch"
Hat noch jemand das gleiche Problem, und, wie hat er das gelöst?
PS: Ich bitte darum, evtl. Antworten hier zu posten, damit alle Multicar-Bremser etwas davon haben!
Ich weiß, dass mind. Einer das gleiche Problem hat.
Liebe Grüße,
Reiner
Reiner




